- Главная
- Инженерные системы
- Сантехника
- Смесители
- GRANFEST Смеситель для кухни прямой с краном питьевой воды D-40мм белый арт.
GRANFEST Смеситель для кухни прямой с краном питьевой воды D-40мм белый арт.
- Характеристики
- Отзывы0
| Технические характеристики | |
| Бренд | GranFest |
| Способ монтажа | на раковину, вертикально |
| Материал | Латунь |
| Тип подводки | гибкая |
| Гарантийный срок | 3 года |
| Цвет | Белый |
| Вращение | Да |
| Тип смесителя | однорычажные |
| Водозапорный механизм | керамический картридж |
| Габариты | |
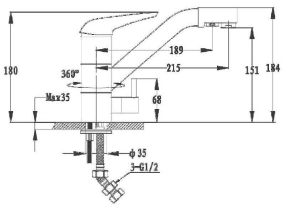
| Высота (мм) | 184 мм |
| Высота излива, мм | 151 |
| Вес нетто, кг | 2,33 |
| Длина (мм) | 215 мм |
| Длина шланга, см | 40 |
| Форма | низкий/прямой |
| Форма корпуса | низкий/прямой |
| Модель | 2624-1 |
| Способ установки | горизонтальный |
| Тип установки | на раковину, вертикально |



